标题: Kuebler 8.5000型号解析
一.公司介绍
SilkRoad24(希而科工业控制设备(上海)有限公司)源于1999年在德国Braunschweig市成立的德国Silkroad24 GmbH公司, “希而科”也是“Silk”的中文音译, 创始人CHEN GANG(拥有同济大学研究生及德国Darmstadt 大学工科硕士学位)曾任职德国西门子Automotive公司及德国大众汽车Wolfsburg总部近12 年, 谙熟德国工业自动化,大规模生产,物流的奥秘。
2005年希而科商务咨询(上海)有限公司在上海成立,作为瑞士Baumer 公司,德国Ahlborn, Knick, honsberg等多家欧洲公司的中国代理,希而科公司攒下了如何服务于中国工业自动化行业的宝贵经验,建立了一切以客户需求为出发点的服务宗旨。2006年为顺应中国客户对德国工业品零配件的需求,希而科贸易(上海)有限公司在浦东成立了,利用公司总部在德国及多年与德国供应商贸易来往的优势,希而科公司在其代理品牌之外,开始为中国客户代理采购各行各业-主要是工业自动化及仪器仪表行业所需的备品备件。为适应客户小金额订单的需求,我们在德国源头作了拼单,集中代理采购,仓储,出欧盟集中报关等创新,让中国客户在欧洲零配件采购中除货价外的附加费用大幅度降低。
公司规模:100人左右
公司模式:德国本土采购,德国仓库拼单操作,为客户节约了成本,提高了采购效率。提供100%原装正品,真正做到了让客户服务满意,采购放心。
航班周期:每天安排航班,保证货物时效,
货物包装:长期以来积累了大量货物运输包装经验,所有货物均在国内进行二次包装,规避国内运输风险。
售后服务:客服,返修集中操作,完善的售后系统确保客户无后顾之忧。
处理效率:ERP系统做单,可以提供订单全程查询。
二.品牌介绍
(1)Kueble品牌历史
自1960年以来的独立家族企业,全球超过490名员工为我们的客户提供高交付可靠性和可用性,全球影响力在50多个国家/地区。
我们通过在五大洲提供的全球定制个人合作来支持客户的进步。 通过提供快速、简单和高度先进的解决方案,我们为客户实现了卓越的利益。
库伯勒为每种应用提供合适的测量、传输和评估解决方案。 我们在许多领域拥有丰富的应用知识,加上对产品的最高质量意识和我们的高水平服务,确保您成为您身边强大而可靠的合作伙伴。
(2)Kueble 8.5000编码器系列介绍
由于采用 Safety Lock™ 设计的坚固轴承结构,Sendix 5000 / 5020 增量编码器具有特殊的抗振动和安装错误能力。 稳定的压铸外壳、高达 IP67 的高防护和从 -40°C 到 +85°C 的宽温度范围允许普遍使用。 该系列编码器经过不断的技术开发,现在提供多种独特的订购选项。
三.型号解析


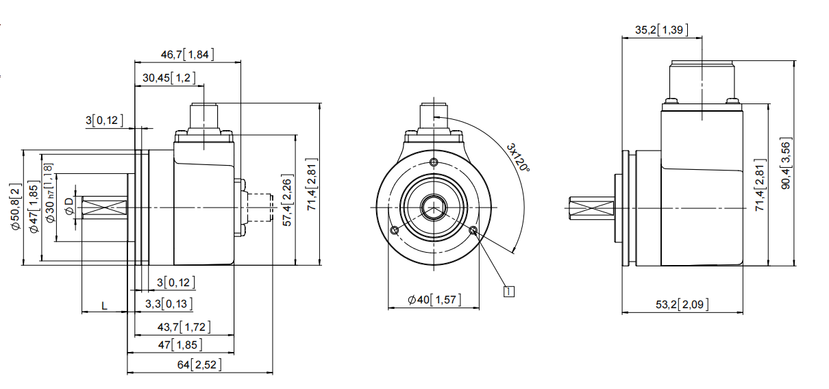
四.产品图片

陈笑笑(xiaoxiao Chen)
希而科工业控制设备(上海)有限公司
希而科贸易(上海)有限公司
上海市浦东新区王桥路999号中邦商务园1034-1035幢
Tel:021-20363030
MP:189-6458-2682
QQ:2850594136
E-mail:office62@silkroad24.com