标题: LORENZ D-DR型号解析
一.公司介绍
SilkRoad24(希而科工业控制设备(上海)有限公司)源于1999年在德国Braunschweig市成立的德国Silkroad24 GmbH公司, “希而科”也是“Silk”的中文音译, 创始人CHEN GANG(拥有同济大学研究生及德国Darmstadt 大学工科硕士学位)曾任职德国西门子Automotive公司及德国大众汽车Wolfsburg总部近12 年, 谙熟德国工业自动化,大规模生产,物流的奥秘。
2005年希而科商务咨询(上海)有限公司在上海成立,作为瑞士Baumer 公司,德国Ahlborn, Knick, honsberg等多家欧洲公司的中国代理,希而科公司攒下了如何服务于中国工业自动化行业的宝贵经验,建立了一切以客户需求为出发点的服务宗旨。2006年为顺应中国客户对德国工业品零配件的需求,希而科贸易(上海)有限公司在浦东成立了,利用公司总部在德国及多年与德国供应商贸易来往的优势,希而科公司在其代理品牌之外,开始为中国客户代理采购各行各业-主要是工业自动化及仪器仪表行业所需的备品备件。为适应客户小金额订单的需求,我们在德国源头作了拼单,集中代理采购,仓储,出欧盟集中报关等创新,让中国客户在欧洲零配件采购中除货价外的附加费用大幅度降低。
公司规模:100人左右
公司模式:德国本土采购,德国仓库拼单操作,为客户节约了成本,提高了采购效率。提供100%原装正品,真正做到了让客户服务满意,采购放心。
航班周期:每天安排航班,保证货物时效,
货物包装:长期以来积累了大量货物运输包装经验,所有货物均在国内进行二次包装,规避国内运输风险。
售后服务:客服,返修集中操作,完善的售后系统确保客户无后顾之忧。
处理效率:ERP系统做单,可以提供订单全程查询。
二.品牌介绍
(1)LORENZ品牌历史
公司自1985年成立以来稳步发展。在很短的时间内,该公司发展成为用于测量力、扭矩和称重的传感器和系统解决方案供应商。
由于产品范围的不断扩展,还可以提供大量相关的测量放大器、显示器和评估电子设备。除了大型标准程序外,还提供针对各种测量任务的定制解决方案。
为了完善交付计划,还根据客户要求设计和制造用于开发、生产和质量保证的测试设备作为完整的解决方案。
与客户的良好接触和以市场为导向的开发保证了产品满足您的要求并始终处于最水平。
通过使用符合 DIN ISO 9001 的质量管理体系,对生产链进行持续监控和优化。
自 2003 年 10 月起,可以在内部 DAkkS 校准实验室中以最高精度校准传感器,根据DIN EN ISO / IEC 17025标准,在阿尔夫多夫现场进行认证。
(2)LORENZ产品经营范围
我们的生产计划包括扭矩传感器、力传感器、称重传感器和相关的测量数据评估。我们还提供客户特定的系统解决方案和测试台,用于速度、扭矩、力和特性曲线采集、特殊传感器和从开发到成品的 DMS 合同应用 - 一切都来自单一来源。我们可以为您提供所有设备和传感器的 DAkkS 和工厂校准。购买新传感器时,标准提供记录可追溯测量的测试证书。
三.型号解析

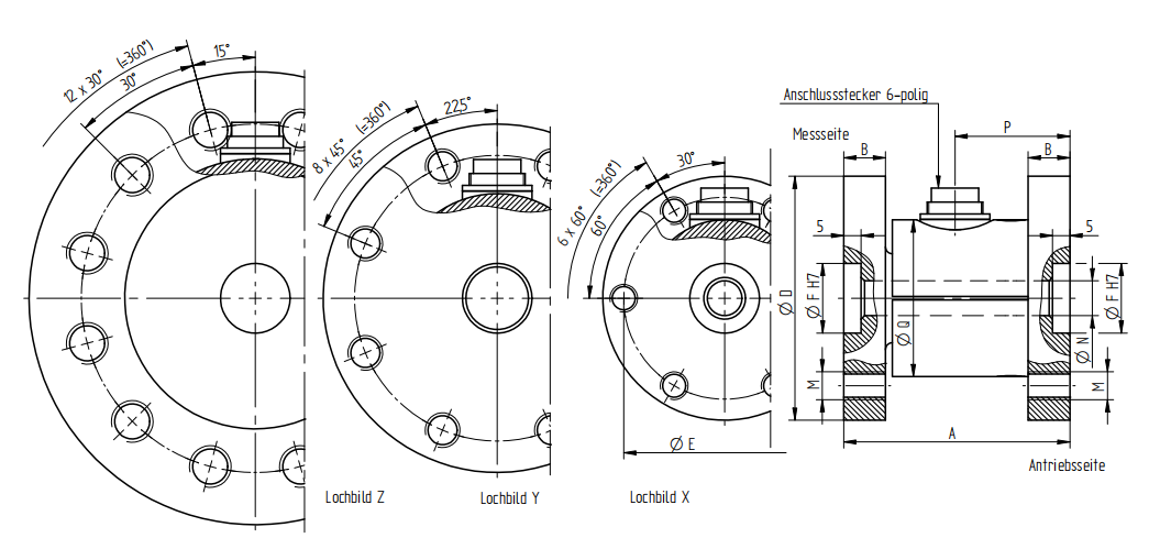
四.产品图片

陈笑笑(xiaoxiao Chen)
希而科工业控制设备(上海)有限公司
希而科贸易(上海)有限公司
上海市浦东新区王桥路999号中邦商务园1034-1035幢
Tel:021-20363030
MP:189-6458-2682
QQ:2850594136
E-mail:office62@silkroad24.com