品牌介绍
西奥·W·凯斯勒于1962年创立了该公司,他儿时的朋友威利·斯泰内巴赫博士,审计师兼税务顾问,作为公司法律和税务方面的顾问参与了公司的工作,他一直领导监事会直到2019年,1992年,Johnnes W.Steinebach从Kessler先生和他的父亲手中收购了该公司,汉韦姆·施泰内巴赫博士和费利克斯·施泰内巴赫博士于2012年加入公司管理层,目前有两代人参与其中。主营:磁性旋转编码器,测斜仪,绝对旋转编码器。 TWK专注于具有功能安全性的传感器,用于敏感危险区域中的应用。风能:TWK-ELEKTRONIK从一开始就参与开发用于风能行业的传感器。例如,德国的大型风力发电机GROWIAN配备了TWK的绝对式旋转编码器。农业机械:可靠而精确的传感器构成了机器自动化的基础。TWK-ELEKTRONIK为农业机械制造商提供磁性旋转编码器和倾角仪。工程机械:未来的建筑机械必须能够更快,更准确地执行任务。TWK-ELEKTRONIK专门从事于此,它具有耐用,极其坚固和可靠的磁性旋转编码器,倾角仪和线性传感器。
产品介绍:
CRF系列是为14种不同参数的远程编程而开发的,编程是由PC通过编码器的编程线进行的,所选参数保存在编码器的E²-PROM中,PROCOD软件可用于菜单驱动的编程,
它可以在MicrosoftWindows®上运行,与PC兼容的RS 232接口的RS 485接口在转换器模块中实现。法兰和铝制外壳-不锈钢制成的轴-带有Nilos的12毫米滚珠轴承-密封圈或密封圈密封码盘灰色编码的GaAlAs二极管-光电阵列-门阵列-多功能ASIC µcontroller SMD技术。
常见型号:
CRF58-4096G4096E01
CRF58-4096G4096E01+SWF10B01
CRF58-4096G4096E12,SN185002
可编程参数:
分辨率:0.0002至4096
台阶数/ 360°
测量范围:1、2、4 ... 4096转
输出代码:Gray,Gray fir,BCD,
二进制或二进制冷杉
Verlauf代码历史记录:CW或CCW
逻辑极性:正或负
(仅具有并行接口)
奇偶校验位:奇数或偶数
调整类型:预设或上下模式
(请参阅第2页)
参考值1:0至总步数
参考值2:0至总步数
偏移值:-32768至+ 32767
寄存器长度:13、16、25或32位
(仅具有SSI接口)
单稳态触发器时间:1至682 µs
(仅具有SSI接口)
波特率:2.4 kbaud至3 Mbaud
(仅通过ASA接口)
识别号码:0至65535(ID号码)
电气数据:(适用于所有版本,除非另有说明)
传感器系统:GaAlAs二极管-光电阵列,精密比较器照片晶体管
并行输出:A =集电极开路
达灵顿
C =开路发射极
达灵顿
D =推挽
串行输出:差分数据输出 符合RS 485/422的SSI和ASA
SS时钟输入SSI:差分时钟输入(光耦合器)用于数据驱动程序根据RS 485/422
奇偶校验位:校验位(SSI <32位除外)
错误位输出:数据位(仅适用于并行和SSI
/ 32位)使能电路有效或无效
总线操作:信号输入E6(仅具有并行接口)
多功能输入:取决于调节(MFP)艺术。信号输入E6
存储器电路(锁存器):通过多功能输入(MFP)
Verlauf代码历史记录:CW或CCW,信号输入E6
工作电压-范围:+ 11 V至+ 30 VDC
工作电流:典型值80 mA /最大120 mA
数据速率:1至3 kHz,具体取决于程式设计(仅具有并行接口)
测量步距偏差:≤±2 '38“
at4096步/ 360°<)
区分代码:灰色
写周期E²-PROM:≤10 6
机械数据:
工作速度:3000 min -1 max。 (持续时间)
4000 min -1以下(短期)
工作扭矩:≤5 Ncm(8 Ncm-CRF 66)
(以1000分钟-1的速度)
起动扭矩:≤1 Ncm(4 Ncm-CRF 66)
角加速度:最大105 rad /s²。惯性矩
转子的重量:50gcm²
烫发。轴载荷:轴向和径向250 N
轴承寿命:109转
环境数据:
工作温度范围:-20°C至+ 60°C
可选(带插头):-40°C至+ 85°C
储存温度范围:-25°C至+ 70°C
烫发。 rel。湿度:85%无凝结
阻力200 m /s²; 11毫秒
抗冲击:(DIN IEC 68)
电阻5 Hz ... 1000 Hz;
100 m /s²
抗振动:(DIN IEC 68)
防护等级(DIN 40050)
CRF 58,65和105:IP 65(尼洛斯环)
CRF 66:IP 66(闪烁)
质量:CRF 58 = 0.6千克CRF 66 =
0.7千克
CRF 65 = 0.7千克CRF 105 = 1.3千克
接口配置文件SSI-13位:
输出移位寄存器的数据宽度为13位; 单行程部件最多可传输13个数据位,这些有效数据位的位置取决于所编程的输出代码;对于灰色(G),BCD(B)和二进制(R)输出代码,将LSB写入移位寄存器的最后一个位置; 对于Gray-Fir(G-T)和Binary-fir(R-T)输出代码,最高有效的monotourbit被写入第一个位置;这对应于用于单行程编码器的经典SSI协议。
调整类型
可以使用PC选择预设或UpDown模式的调整类型。
所选的调节类型决定多功能输入(MFP)的功能。
这两种类型的调节均控制正常的编码器操作和存储功能(闩锁)。
后者在MFP1和MFP0时执行可以同时设置为1。
功能扩展功能基本上,可以使用以下选项:
根据RS485输出两个偏移90°的增量信号,输出一个模拟测速信号,例如0到10 VDC或(0)4到20 mA,以定义速度范围。
maximum最多6个信号输出,例如:工作和安全区域,凸轮开关,旋转方向检测,极限开关,奇偶校验,频闪的极限值信号输出可以选择实现
如:集电极开路(A),发射极开路(C),推挽(D)
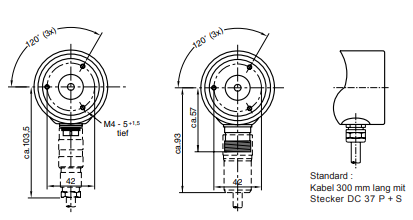
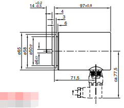
电气连接(标准版本):
CRF 58,65和66并行:带有连接器DC 37(IP30)的电缆
CRF 58、65和66串行:12针圆形连接器。 (IP 65)在外壳上
CRF 105并行连接器DC 37(IP 65)和串行:在外壳上
引脚分配:
COMBICON:+ UB = + 24 VDC±10%
(2针)GND = 0 VDC
COMBICON:+ UB(4针)GND
PR编程线PR差分数据驱动器,符合RS
485/422规范,请使用双绞线电缆连接编程线PR和PR。
产品及参数图片:


