品牌介绍:
西奥·W·凯斯勒于1962年创立了该公司,他儿时的朋友威利·斯泰内巴赫博士,审计师兼税务顾问,作为公司法律和税务方面的顾问参与了公司的工作,他一直领导监事会直到2019年,1992年,Johnnes W.Steinebach从Kessler先生和他的父亲手中收购了该公司,汉韦姆·施泰内巴赫博士和费利克斯·施泰内巴赫博士于2012年加入公司管理层,目前有两代人参与其中。主营:磁性旋转编码器,测斜仪,绝对旋转编码器。 TWK专注于具有功能安全性的传感器,用于敏感危险区域中的应用。风能:TWK-ELEKTRONIK从一开始就参与开发用于风能行业的传感器。例如,德国的第一台大型风力发电机GROWIAN配备了TWK的绝对式旋转编码器。农业机械:可靠而精确的传感器构成了机器自动化的基础。TWK-ELEKTRONIK为农业机械制造商提供磁性旋转编码器和倾角仪。工程机械:未来的建筑机械必须能够更快,更准确地执行任务。TWK-ELEKTRONIK专门从事于此,它具有耐用,极其坚固和可靠的磁性旋转编码器,倾角仪和线性传感器。
希而科贸易(上海)有限公司
希而科工业控制设备(上海)有限公司
公司简介:
公司规模:100人左右
公司模式:德国本土采购,德国仓库拼单操作,为客户节约了成本,提高了采购效率。提供100%原装正品,真正做到了让客户服务满意,采购放心。
航班周期:每天安排航班,保证货物时效,
货物包装:长期以来积累了大量货物运输包装经验,所有货物均在国内进行二次包装,规避国内运输风险。
售后服务:客服,返修集中操作,完善的售后系统确保客户无后顾之忧。
处理效率:ERP系统做单,可以提供订单全程查询。
常见的TWK CRD58系列型号:
CRD58--4096R4096C2Z01
|
参数 |
|
|
工作速度 |
3000分钟-1最大,(持续时间)4000 min -1以下 (短期) |
|
角加速度 |
105rad /s²最大值 |
|
工作温度°C |
负20°C至+ 60°C (可选:-40°C至+ 85°C) |
|
储存温度范围 |
负20°C至+ 70°C (可选:-40°C至+ 85°C) |
|
惯性矩(转子) |
45gcm² |
|
工作扭矩 |
≤5 Ncm (转速1000
rpm) |
|
起动扭矩 |
≤1 Ncm |
|
轴承寿命 |
109 |
|
转数*n重量 |
圆形连接器约0.5 kg,带连接罩约0.7 kg |
|
测量范围 |
4096转 |
|
测量步距偏差 |
≤±2 '38“(4096步/ 360°<) |
|
工作电压范围 |
13.5 VDC至+ 30 VDC |
|
功耗 |
PV≤3.5 W(浪涌电流≤300 mA) |
|
接口 |
根据RS 485的线路驱动器,通过光耦合器电隔离(信号线A,B)通过DC / DC转换器电隔离的工作电压 |
|
EMC |
EN 61000-4-2(ESD) |
应用场合:
风能
农业机械
工程机械及危险区域中的应用
TWK CRD65系列型号解析:
|
01 |
02 |
|
03 |
04 |
05 |
06 |
07 |
08 |
|
|
CRD |
58 |
– |
4096 |
R |
4096 |
C2 |
Z |
01 |
|
|
01 |
系列绝对值编码器具有PROFIBUS-DP接 |
CRD |
|||||||
|
02 |
型号 |
58 |
|||||||
|
03 |
步数/ 360°< |
4096 |
|||||||
|
04 |
输出代码 |
R |
|||||||
|
05 |
最大数量 可能的革命 |
4096 |
|||||||
|
06 |
C2 =设备等级2 |
C2 |
|||||||
|
07 |
电气连接 |
Z |
|||||||
|
08 |
电气和/或机械 变体* |
01 |
|||||||
环境数据:
工作温度范围:-20°C至+ 60°C
可选:-40°C至+ 85°C
储存温度范围:-20°C至+ 70°C
可选:-40°C至+ 85°C
烫发。 相对湿度:85%,无凝结
阻力200 m /s²; 11毫秒
抗冲击:(DIN IEC 68)
电阻5 Hz ... 1000 Hz;
100 m /s²
抗振动:(DIN IEC 68)
防护等级(DIN 40050)
CRD 58和65:IP 65(Nilos环)
CRD 66:IP 66(轴封)
CRD 105:IP 65
连接罩:IP 00(未组装)
连接罩:带3个电缆密封套(Z型)寻址的T型耦合器和总线终端电阻集成
RS 25圆形插头:12针(L型)
"顺时针方向看时,顺时针旋转,顺时针旋转,
CCW(逆时针)
收银机2功能启用/禁用2类功能的释放"
最高
轴负载和-20°C至+ 60°C的工作温度。在较低的负载下,允许较高的值。
1.工作速度怎么样?
3000分钟-1最大,(持续时间)4000 min -1以下 (短期)
2. 工作温度多少?
负20°C至+ 60°C (可选:-40°C至+ 85°C)
3. 测量范围多少?
4096转
4. 工作电压范围?
+13.5 VDC至+ 30 VDC
5. 功耗多少?
PV≤3.5 W(浪涌电流≤300 mA)
6. 接口什么样的?
根据RS 485的线路驱动器,通过光耦合器电隔离(信号线A,B)通过DC / DC转换器电隔离的工作电压。
7. 储存温度范围多少?
负20°C至+ 70°C (可选:-40°C至+ 85°C)
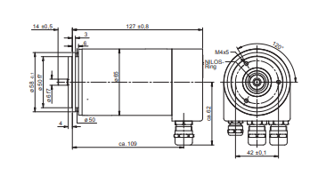
CRD58系列图片:


